1 – The First Italian Armored Cars:
Italy was one of the first nations to develop armored cars, with the Fiat Arsenale in 1912. It was also the first nation to use these vehicles (as well as aircraft) in combat operations in Libya, which was then occupied by the forces of the Ottoman Empire. The Fiat Arsenale was based on a truck chassis (Fiat 15 bis), like most wheeled armored vehicles of the time. It was used extensively in Libya, and its design would influence all subsequent Italian armored cars until 1932. In 1913, two other armored car prototypes were developed with private funding and offered to the army: the Isotta Fraschini RM and the Bianchi (two versions). All three vehicles were used during WWI. Then came the most prolific Italian armored car of the war, the Lancia 1Z, which was quite advanced for its time. In April 1918, an improved version, the Lancia 1ZM, entered service. In the immediate post-war period, another armored car was produced, the Fiat Terni/Tripoli (only 14 copies), specifically for colonial theaters. After the war, the lack of doctrinal debate on the use of armored vehicles and the lack of interest in this type of vehicle hampered the development of new armored car models. The Lancia 1ZM, despite its increasing obsolescence, remained in service. The technical service responsible for the motorization of the army was only formed in 1930 but remained largely inactive. The few wheeled prototypes produced did not arouse interest from the military authorities, who were now focused on the production of tracked vehicles. The only model adopted was the Fiat 611 in 1932 (only 10 copies), not by the army, but at the request of the Italian police (PAI: Polizia dell’Africa Italiana, in charge of security in the African colonies). These armored cars were subsequently returned to the army in 1935 (cannon version) and 1936 (machine gun version). Unfortunately, the Fiat 611 was underpowered (28 km/h), had a limited range (180 km), its armament was obsolete, and its off-road performance was inadequate. It wasn’t until 1937, with the deployment of 10 Lancia 1ZM armored cars to Spain, that it became clear that, apart from an infantry support role, the Lancias were incapable of performing effective reconnaissance missions. Furthermore, the capture of Republican BA-6 armored cars by Italian troops and their comparison with the Lancia 1ZM revealed the extent of the Italian army’s technological lag. The remaining Lancia 1ZM, Fiat Terni/Tripoli, and Fiat 611 armored cars were poorly armed, inadequately protected, incapable of moving effectively off-road, and unsuitable for reconnaissance tasks.
2 – Development of the AB-40:
In 1937, this realization led the PAI (Italian African Police) and the army to commission the study of prototypes from the Fiat company, in association with SPA Ansaldo. On April 11, 1938, a first wooden mock-up was presented to the army at the Ansaldo factories in Genoa. This design was already close to the final vehicle, featuring four-wheel drive, four steered wheels with independent suspension, a petrol engine, armament composed of three 8 mm machine guns, and a crew of four. This was followed by the production of two prototypes (one for the PAI and one for the army) called ABM (AutoBlindoMitragliatrice) in May 1939. One was registered as « Autoblinda RE » (for Regio Esercito or Royal Army) and the other for the PAI was registered as « Polizia Coloniale 0021 ». There were still some differences from the final model, such as the headlights and engine hatches. The prototypes were presented on May 15, 1939, in Turin during the inauguration of the Fiat Mirafiori factory, and then to an enthusiastic Benito Mussolini.
There were some differences between the two prototypes:
The army model had a fairly sloped front armor and unprotected spare wheels; it was registered as Test TO.64. Compared to the wooden mock-up, the headlights were now protected and the engine hatches had received ventilation grilles.
The PAI model had spare wheels protected by an armored plate, a vertical radio antenna on the front right of the hull, a siren, and a searchlight on the turret roof.
The army model was then sent in June 1939 to the Centro Studi della Motorizzazione (Center for Motorization Studies) in Rome for evaluation, and then to Piedmont for the August 1939 maneuvers, registered as « RE-3 ». Following these tests, modifications were made to the front fenders and the headlights, which were now integrated into the bodywork.
The PAI model was sent to Italian East Africa (present-day Ethiopia, Somalia, and Eritrea). It was unloaded in Massawa on June 3, 1939, registered as « Polizia Coloniale 0501, » and returned there on September 12 after a journey of 13,000 km. The vehicle performed well despite the difficult conditions. It was then sent back to Italy, where it also underwent some modifications. The spare wheel covers were removed, the large turret searchlight was replaced with a smaller, more maneuverable one, a mount for an anti-aircraft machine gun was added to the turret roof, and the radio antenna could now be folded down towards the rear. The model was then re-registered as « Polizia Africa Italiana 0501 » and sent to Libya.
A third prototype was built with some modifications, registered as RE-116B.
In total, the prototypes proved to be good vehicles, well-suited to their intended use; the only drawback noted was the armament. Composed of three machine guns, it was considered too light, which is why Ansaldo engineers went back to work to design a new turret armed with a cannon. Unfortunately, the imminent outbreak of war led to the rushed production of the first units with this new turret. Production began in January 1941, and the first five units, registered RE-117B to RE6121B, were delivered in March 1941. Three slightly different prototypes were developed, two for the army and one for the Italian Police (PAI), and then a standard model, based on these studies, was developed for both the army and the PAI. A first wooden model of the armored car was presented to Army officers during their visit to the Ansaldo factory in Genoa on April 11, 1938. The mockup was very similar to the final vehicle, with four-wheel drive, four steered wheels with independent suspension, a petrol engine, armament consisting of three 8 mm machine guns, and a crew of four. It was accepted in March 1940. An initial order for 185 vehicles was placed, followed by an order for 54 more in January 1941.
3 – Deployment and Service :
Production began in early 1941, with the first five pre-series vehicles sent to the Pinerolo Training Centre. Early crews faced a steep learning curve, as most were originally trained on the archaic, Great War-era Lancia 1ZM. the deficiencies in modern armored cars foreseen in 1936 with the Italian offensive in East Africa became flagrant with the September 1940 offensive in Egypt against England. the problem was that on this date nothing was available. In fact, it took until October 1941 for 13 AB40s to be sent to Libya (3 for the Army and 10 for the PAI). The arrival in number did not take place until April 1942 with the III gr.cr Nizza Cavalleria (Div Ariete) with 42 armored cars and the VIII bt.bers (Trieste Division). Then, in August 1942, the III gr.cr Cavalleggeri di Monferrato with 42 AB41s. Then in November, Le RECo Cavalleggeri di Lodi with 36 AB41s. In the Balkans, AB 40/41s were widely used for escorting rail and road convoys against partisans. They equipped many units of modest size, on the scale of the platoon or the company, which makes their census difficult. A particular unit was the 1a (autonomous) compagnia autoblindo ferroviarie constituted on May 15, 1942 which operated in Yugoslavia with 10 draisines, then 20 from October 1942. Others were used on the Eastern Front. At the time of the armistice (28 September 1943), the Wehrmacht recovered around 200 AB 40/41s which received the designation Pz.Sp.Wg. AB41 201(i) and had around 20 more manufactured until 1945, 110 of which were later handed over to the Croatian army and 15 to Hungary in August 1944. Several RSI units nevertheless managed to recover AB41s: Gruppo Corazzato Leonessa of the GNR which had 18, Gruppo Squadroni San Giusto which used 4, and various GNR units. After the war, the AB 41s remained in service with the Polizia and the Carabinieri until the early 1970s. On some examples, the main armament was replaced by a Browning M2 HB 12.7 mm machine gun. Some AB41 were transferred in the Greek army under reparations in 1948-1949.
A – The PAI (Italian African Police) :
Despite being the original intended users, the PAI received few units as priority shifted to the Royal Army.
African Theater: 60 units (a mix of AB40 and AB41) equipped five companies in 1941.
Distinguishing Marks: Following a tragic friendly-fire incident on the first day of the war involving older armored cars, all PAI ABs were painted with large Italian flags on the front and sides for rapid identification.
Final Combat: Survivors were eventually absorbed into Army units, with some participating in the desperate defense of Rome in September 1943.
B – The Regio Esercito (Royal Army) and « Ferroviaria » Units :
The Army primarily utilized the AB40 in Italy and the Balkans. A specialized detachment of 12 vehicles (8 AB40s and 4 AB41s) was converted into « Ferroviarie » (Railway) versions. These were deployed to the Balkans to protect supply lines from Yugoslav partisan sabotage.
C – Post-Armistice (1943–1945) :
After the Cassibile Armistice, the fate of the AB40 became fragmented:
German Requisition: Many units were seized by German forces to replace their own combat losses.
The GNR and « Leonessa »: The Guardia Nazionale Repubblicana (RSI) had to scavenge for armor. The Gruppo Corazzato “Leonessa” operated 18 ABs in Northern Italy. Interestingly, the AB40 specifically vanishes from their records; it is theorized they were either scrapped for parts or upgraded with 20 mm AB41 turrets.
4 – Study of the models :
Specifications :
Length: 5.21 m / Width: 1.93 m / Height: 2.48 m / Weight: 7.520 t / Crew: 4 (driver, commander, gunner, radio) / Propulsion: FIAT-SPA 6-cylinder petrol engine, 80 hp (AB40), 120 hp (AB41) / Production: more than 600 / Speed: 78 km/h / Range: 400 km / Armament: 1x Breda mod.35 20 mm gun + 2x Breda mod.38 8 mm machine-guns / Armor: 6 – 18 mm
A – The PAI Prototype Key Variations :
The PAI prototype featured several unique engineering choices that were later simplified or improved for the standard production AB40:
Wheels and Rims: The prototype used highly elaborate rims, which were deemed too complex for wartime mass production. These were replaced by more durable six-spoke models in the standard version.
Defense & Access: The side doors lacked the sophisticated « slit for personal weapons » found on later models; instead, they featured a simpler, less effective slot.
Radio Configuration: In a reversal of the standard design, the antenna was mounted on the left side. Interestingly, standard AB40 and AB41 hybrids moved this to the right.
Turret Details: The prototype turret was equipped with four air intakes (double the standard amount) but lacked vision slots. It also featured a fixed roof-mounted headlight, a feature deleted from production models.
Tool Stowage: The heavy jack was mounted externally on the right hull near the door. For the standard model, this was moved into an internal stowage box for better protection.
Fender Design: The prototype utilized longer, oversized mudguards. While they provided better protection against gunfire, they proved impractical for off-road use; they frequently bent upon hitting obstacles, occasionally slicing into the tires.
B – The Evolution to the AB41 and the « Hybrid » Models :
The Italian High Command realized the AB40’s triple machine gun armament was obsolete after evaluating the Soviet BA-6 heavy armored car (captured during the Spanish Civil War). While the BA-6 featured a powerful 45mm gun, the AB40 was still relying on Great War-era firepower concepts.
The Turret and Engine Upgrade : To modernize, Ansaldo integrated the Mod. 1941 turret designed for the L6/40 light tank onto the existing AB40 chassis. This upgrade introduced a 20mm Breda gun but increased the vehicle’s weight from 6.8 to 7.4 tons. To compensate, FIAT-SPA developed the ABM 2 engine 88 hp, though production delays meant the assembly lines could not switch over immediately.
The AB40/41 « Hybrid »
Due to these industrial bottlenecks, a significant number of vehicles were produced using the new Mod. 1941 turret but retained the original 78 hp ABM 1 engine. While historians refer to these as « hybrids, » official Royal Army registers simply categorized them based on production batches.
Production Figures (Per Ufficio Autonomo Registers):
AB40 (including Hybrids): 435 units (Registration 116B to 551B).
AB41 (Standardized): 232 units (Registration 552B to 784B).
This indicates that the majority of « AB40s » in the field were likely upgraded with the superior 1941 turret despite their official designation.
C – The AB-40/41 :
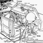
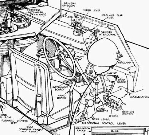
a – Hull & Accessibility :
The armored plates were fixed to an internal frame. Entry was provided via two split-style rear doors; the top halves featured firing slits, allowing the crew to engage in close-quarters defense with personal sidearms.
Forward Driver’s Station :
The primary driver sat behind a standard vision slit and hyposcope. The dashboard was flanked by a 57 liter fuel tank and the brake fluid reservoir. To the driver’s left were the 6-speed gear lever, handbrake, and the critical handover lever that transferred steering control to the rear position. To the right sat the antenna crank and spare hyposcope storage. Notably, the driver also controlled the external armored headlight covers via a single internal lever.
Combat Compartment (Turret & Hull) :
The commander/gunner operated from the turret, which lacked a basket; instead, a pedal-based firing system was used for the machine guns. The hull interior was dominated by ammunition racks. Storage for spare machine gun barrels and maintenance equipment was located on the floor to the right, with fire extinguishers and small equipment lockers located toward the rear.
Rear Crew Station & Engine Interface
The rear housed a secondary driver (left) and a machine gunner (right). Their station featured a simplified 4-speed gearbox and a removable steering wheel to facilitate quick entry and exit.
A significant design flaw was the lack of an armored bulkhead separating the crew from the engine. In its place stood two tanks: a 57 liter fuel tank and the engine’s water cooling tank. This proximity to the engine compartment—which was difficult to maintain due to restricted hatch access—resulted in a persistent and severe fire risk
b – Turret Design & Armament :
The AB40 featured the Mod. 1940 octagonal turret, designed and manufactured by Ansaldo. This single-seat turret was originally developed for the M6T (the L6/40 light tank prototype).
Vision and Ventilation:
Situational Awareness: The commander/gunner was provided with three vision slits on the sides, one in the rear, and a 360° circ rotating periscope mounted on the roof next to the main hatch.
Ventilation: Because the vehicle lacked mechanical smoke extractors or fans, two dedicated air intakes were integrated into the turret to prevent the crew from being overcome by propellant gases during combat.
Armament :
The AB40’s sting came from three Breda Mod. 38 machine guns, but its firepower was hampered by a major design choice: the use of 24-round magazines. Unlike belt-fed weapons used by other nations, the Breda required constant magazine swaps, making sustained suppressive fire nearly impossible.
Two of these guns were housed in the turret, while a third was tucked into a ball mount at the rear to discourage pursuit. In a pinch, the rear gun could be moved to the turret roof for anti-aircraft duty, though this was rarely seen after the initial production run. Inside, the hull was packed with 85 white-painted wooden magazines. While primarily intended for anti-infantry use, the crew did have access to M.39 Armor Piercing rounds. At short range, these could punch through 16mm of steel—enough to threaten very light vehicles or early-war scout cars, but insufficient against true tanks.
c – Armor Protection :
The vehicle’s hull and superstructure were constructed from 9 mm bolted steel plates. This protection extended to the front, sides, and rear of the turret. To ensure mobility under fire, the fenders were also armored to shield the tires. Horizontal protection included an 8 mm floor and 6 mm plates for the hull and turret roofs. This configuration provided ample defense against infantry small arms and shrapnel.
d – External Equipment & Variants :
The exterior was outfitted with a horn (front right), a pickaxe (right side), and an exhaust pipe mounted on the rear mudguard. Spare wheels were housed in side fairings. In the Ferroviaria (Railway) variant, these fairings were modified to carry two spare wheels per side. The rear engine deck featured dual air intakes, maintenance hatches, a cooling grille, and dual taillights.
e – Communications Equipment :
While the pre-series AB40 used an unidentified radio system with a right-mounted antenna, all standard production models from March 1941 onward were equipped with the Magneti Marelli RF3M.
System Layout:
Main Unit: The transmitter and receiver were vertically stacked against the left interior wall of the superstructure.
Power Supply: Located directly on the floor beneath the radio units.
Batteries: Secured within the double-bottom floorboards, adjacent to the primary fuel tank.
Interfaces: Two sets of headphones and microphones were provided for the front driver and the rear machine gunner.
Antenna Mechanics: The antenna was mounted on the left side, resting on a V-shaped support at the rear when stowed. For operation, it could be raised to a vertical height of 3 meters, or fully telescoped to 7 meters. This setup provided a significant communication range of 60 km. Notably, the antenna’s position interfered with the left-side access door; the upper half of the door could only be opened if the antenna was partially raised.
f – Powertrain and Performance:
The AB40 was powered by a rear-mounted FIAT SPA ABM 1, a 6-cylinder water-cooled inline petrol engine producing 78 hp. Engineered by FIAT and manufactured by the SPA subsidiary in Turin, the engine featured a Zenith type 42 TTVP carburetor. This powerplant allowed the vehicle to reach road speeds of 80 km/h with an operational range of approximately 400 km.
Fuel Configuration :
The vehicle utilized a multi-tank system totaling 195 liters for maximum range and safety:
Main Tank: 118 liters, protected between the crew floor and the armored belly plate.
Secondary Tank: 57 liters, located in front of the primary driver.
Reserve Tank: 20 liters, mounted beneath the rear machine gun position.
Suspension and Off-Road Capability:
Mobility was the vehicle’s greatest strength, featuring a four-wheel-drive (4WD) system with independent shock absorbers on every wheel. Uniquely, both the front and rear axles were steerable. To further enhance its « all-terrain » credentials, the side-mounted spare wheels were designed to rotate freely, acting as auxiliary rollers to prevent the hull from bottoming out when traversing steep obstacles or ridges.
g – Wheel and Tire Specifications :
The AB40 utilized 60 cm (24″) rims, a standard size shared with the TM40 transport series. All tires were supplied by the Pirelli Factory in Milan, with specific tread patterns engineered for different operational theaters:
Desert Operations (« Libia »): Large 9.75 x 24″ tires designed for the sandy terrain of the North African front.
European Operations (« Artiglio »): Known as the « Claw, » these 9 x 24″ tires were optimized for the firmer or muddier ground found in Italy and the Balkans.
Railway Operations (« Ferroviaria »): For rail-patrol duties, the standard rims were fitted with specialized train wheels modified by FIAT.
5 – the AB-40 Ferroviaria :
A – the context and the vehicle :
Seeking to mirror Germany’s rapid conquests, Mussolini launched an invasion of Greece in October 1940. However, the campaign stalled against fierce Greek resistance, and with Italian forces also reeling in North Africa, Mussolini was forced to turn to Hitler for help. Though Hitler’s focus was fixed on the Soviet Union, he feared the British might establish a southern front in Greece. Reluctantly, he committed German troops to the region, initially planning to bypass a neutral Yugoslavia.
Everything changed on March 27, 1941. Just two days after the Yugoslav government joined the Tripartite Pact, a military coup led by General Dušan Simović overthrew the pro-Axis regime. An enraged Hitler immediately ordered the invasion of Yugoslavia. Following the swift « April War, » the country was dismantled and partitioned among the Axis powers. Peace was short-lived; despite Axis assumptions that the region was pacified, two rival resistance groups—the Royalist Chetniks and the Communist Partisans—launched an uprising that forced the Germans and Italians to return in force with armored reinforcements.
Following the invasion, Italian forces settled into a defensive posture, thinking the region was pacified. This proved to be a miscalculation. By June 1941, communist uprisings in Slovenia and elsewhere forced a shift in strategy. The Italians adopted a « Strong Point » tactic—creating heavily fortified bunkers and garrisons. While these were difficult for Partisans to capture, they created a new vulnerability: isolated supply lines.
Partisan fighters targeted bridges and railways, effectively strangling the Italian garrisons. The Regio Esercito desperately needed a way to patrol the tracks, but building full-scale armored trains was too slow. The solution was an ingenious collaboration between FIAT and its railway subsidiary. They took the AB40 and AB41 armored cars—some of which were previously relegated to training duties—and swapped their tires for steel train wheels. These « Ferroviaria » models became essential tools for patrolling the dangerous Yugoslavian interior until the 1943 Armistice.
The ‘Ferroviaria’ modification focused primarily on adapting the armored car’s exterior for rail travel. The standard rubber tires were replaced with steel wheels sourced from the FS ALn 556, a FIAT-produced locomotive. To ensure these wheels could grip the smooth rails effectively, engineers installed sandboxes on each fender. These boxes were linked to the vehicle’s braking system via « Bowden » cables—similar to those found on bicycles. When the driver applied the brakes, sand was released through a tube directly onto the tracks, providing the necessary friction to stop or prevent sliding on the steel rails. To ensure operational safety on the tracks, the ‘Ferroviaria’ featured four raised skids mounted directly in front of the wheels. These served as miniature cowcatchers, clearing stones or branches that could otherwise cause a derailment.
The vehicle was also designed for versatility between rail and road. To accommodate this, the side-mounted spare wheel hubs were modified with three additional fixing pins, allowing each side to carry two spare wheels instead of one. To secure these heavy wheels against the jarring vibrations of rail travel, a steel cable was wrapped over them and hooked to the superstructure. To protect the rubber tires from being sliced by the tension of the cable, a wooden wedge was inserted as a buffer.
B – Combat use :
a. The Apex of Rail Defense (1943)
By early 1943, the Regio Esercito had shifted from simple patrols to heavy combat operations.
Force Escalation: The number of rail-converted AB armored cars reached 20 units, operating in five-vehicle platoons.
The « Litorina Blindata »: To support the AB units at Sušak, Ansaldo introduced a heavy diesel rail cruiser. This « land ship » was armed with two M13/40 tank turrets (47 mm cannons), six machine guns, mortars, and flamethrowers.
Partisan Pressure: The resistance intensified, launching over 120 attacks in the Sušak-Karlovci sector alone. These attacks were sophisticated, utilizing powerful mines that could derail an entire armored train and its supporting armored cars simultaneously.
b. The Chaos of the 1943 Armistice
Following the Italian capitulation in September 1943 (Fall Achse), the Balkans became a free-for-all for Italian equipment:
German Seizure: The Wehrmacht disarmed ten Italian divisions in Yugoslavia, incorporating many AB armored cars into reconnaissance and police units (such as Aufklärungs-Abteilung 171).
Partisan Gains: Yugoslav Partisans captured at least seven armored cars and several Litorine Blindate. They used these « special » vehicles—noted in reports for their dual-direction driving capability—until they ran out of fuel or spare parts.
Croatian Forces: The Independent State of Croatia captured roughly 10 armored cars, using them to defend Zagreb and Varaždin through late 1943.
c. Post-War Legacy: 1946 to the 1960s
Surprisingly, the story of the « Ferroviaria » did not end in 1945.
Italian Re-adoption: The new Esercito Italiano (Italian Army) utilized survivors of the war and eight newly built AB43 models. These were modified at the Turin Arsenal in 1946 for the Reggimenti Genio Ferroviario (Railway Engineering Regiments).
Modernization: These vehicles stayed in service until the late 1960s, eventually being repainted in NATO Green. In 1961, some were even rearmed with .50 caliber Browning M2HB machine guns.
Yugoslav Service: At least one AB rail car was operated by the post-war Yugoslav People’s Army, though it was likely scrapped by 1955 due to the lack of spare parts.








































